
| 型號 | BLJ-16 | BLL-30 | |
|---|---|---|---|
| 處理量(噸/天) | 12-16 | 30-35 | |
| 工藝方式 | 間歇式 | 連續式 | |
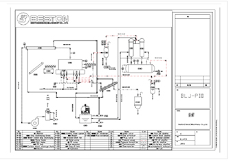
| 原材料 | 廢塑料、廢舊輪胎、油泥等 | ||
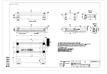
| 主爐尺寸 | 直徑2.8長7.1米 | 直徑1.8長18.5米 | |
| 主爐材質 | Q345R | 310S不銹鋼 | |
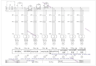
| 驅動系統 | 500減速機+7.5kw電機 | ZQH650-50減速機+15kw變頻電機 | |
| 結構 | 臥式回轉 | ||
| 供熱燃料 | 燃料油(包括輪胎/塑料裂解油)、天然氣、液化石油氣、柴油等。 | ||
| 燃燒器 | 2臺*40萬大卡 | 每套配250萬大卡 | |
| 設備功率(千瓦) | 55.6 | 256 | |
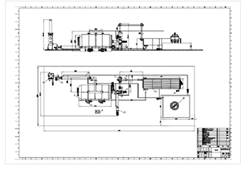
| 占地大小 | 33*13*8米 | 70*20*10米 | |
| 運輸重量 | 約34.5噸 | 約150噸 | |
| 工作壓力 | 微正壓 | 微負壓 | |
| 噪聲(分貝) | ≤60 | ||




